Схема биполярного транзистора.

Мы будем все обсуждать на примере n-p-n БТ, но в принципе для p-n-p все правила и законы точно такие же, но надо учитывать, что полярности напряжений должны быть изменены на противоположные.
Переходы база-эмиттер и база-коллектор представляют собой не что иное, как диоды (вот, кстати, статья о диодах), и в обычном рабочем режиме диод база-эмиттер открыт, а диод база-коллектор закрыт. Давайте посмотрим на визуальное представление схемы биполярного транзистора в виде комбинации диодов. Но тут необходимо уточнить, что в реальности биполярный транзистор не эквивалентен двум диодам. Представление транзистора в виде пары диодов используется только для облегчения понимания принципа его работы.

Теперь давайте на основе диодной модели, составим основные правила работы биполярного транзистора. Как уже упоминалось, диод база-эмиттер должен быть открыт, а, следовательно, напряжение на базе должно превышать напряжение на эмиттере на значение прямого напряжения диода (0.6 – 0.8 В). Таким образом:
Кстати, совсем забыл уточнить. Когда мы говорим «напряжение на коллекторе/эмиттере/базе», то подразумевается напряжение на соответствующем электроде, взятое по отношению к потенциалу земли(!). Ну и, соответственно, если мы говорим о напряжении U_ , например, то имеется в виду напряжение между базой и эмиттером, то же самое относится к U_ и U_ .
Возвращаемся обратно к работе биполярного транзистора!
С диодом база-эмиттер разобрались, теперь диод коллектор-база. Он должен быть смещен в обратном направлении для нормальной работы транзистора, поэтому потенциал коллектора должен быть более положительным, чем потенциал базы (для p-n-p полярности должны быть противоположными). Таким образом, если выполнены эти условия, то биполярный транзистор находится в режиме нормальной работы, при котором ток коллектора:
Величина h_ – это коэффициент усиления по току. Вот мы и пришли к основному принципу работы транзистора, а именно: большой ток коллектора управляется небольшим значением тока базы.
С устройством БТ разобрались, уделили внимание схеме биполярного транзистора, давайте теперь рассмотрим парочку схем посложнее!
Основные схемы включения транзисторов и режимы работы
Различают 3 основных схемы включения транзисторов:
- С общим эмиттером.
- С общим коллектором.
- С общей базой.
Наиболее распространены первые два варианта, при них входная цепь эмиттер-база, а выходная – коллектор-эмиттер, соответственно входной ток – это ток базы, а выходной – коллекторный или эмиттерный ток. Схема с общим коллектором используется для усиления тока, на выходе сигнал (напряжение и ток в нагрузке Urэ) совпадает по фазе с сигналом управления. В схеме с общим эмиттером усиливается напряжение, а выходной сигнал (Uкэ) в противофазе со входным — выходное напряжение перевёрнуто относительно выходного, когда на входе высокое напряжение, на выходе оно близко к нулю.
В зависимости от задачи транзистор может работать в разных режимах:
- Режим насыщения. В этом режиме транзистор находится в проводящем состоянии, он полностью открыт, оба pn-перехода смещены в прямом направлении. Напряжение на транзисторе крайне низкое (доли – единицы вольт), и всё напряжение падает на нагрузке.
- Режим отсечки. В этом случае транзистор закрыт, ток через него не протекает, и оба перехода смещены в обратном направлении. В таком режиме через транзистор протекают только очень низкие обратные токи эмиттера (Iэбо) и коллектора (Iкбо).
- Активный режим. В этом случае транзистор проводит ток, но открыт не полностью и в какой-то степени ограничивает ток, при этом коллекторный переход смещён в обратном направлении, а эмиттерный в прямом.
- Инверсный активный режим. Здесь коллекторный переход смещён в прямом направлении, а эмиттерный смещён в обратном. Этот режим используется реже остальных.
Если в процессе работы транзистор резко переход из режима насыщения в режим отсечки и наоборот, то транзистор работает в ключевом режиме. Он используется в импульсных схемах источников питания, усилителей класса D, цифровой электронике. Активный режим используется в линейных регуляторах, усилителях класса А и других подобных схемах. Для сравнения потери в виде нагрева транзистора в ключевом режиме – минимальны, а в активном максимальны.
Виды транзисторов
В первых транзисторах применялся германий, который работал не совсем стабильно. Со временем от него отказалось в пользу других материалов: кремния (самый распространённый) и арсенида галлия. Но все это традиционные полупроводники.

В настоящее время начинают набирать популярность триоды на основе органических материалов и даже веществ биологического происхождения: протеинов, пептидов, молекул хлорофилла и целых вирусов. Биотранзисторы используются в медицине и биотехнике.
Другие классификации транзисторов:
- По мощности подразделяются на маломощные (до 0,1 Вт), средней мощности (от 0,1 до 1 Вт) и просто мощные (свыше 1 Вт).
- Также разделяются по материалу корпуса (металл или пластмасса), типу исполнения (в корпусе, бескорпусные, в составе интегральных схем).
- Нередко их объединяют друг с другом для улучшения характеристик. Такие транзисторы называются составными или комбинированными и могут состоять из двух и более полупроводниковых приборов. Строение и у них простое: эмиттер первого является базой для второго и так далее до необходимого количества триодов. Бывает нескольких типов: Дарлинга (все составляющие с одинаковым типом проводимости), Шиклаи (тип проводимости разный), каскодный усилитель (два прибора, работающие как один с подключением по схеме с общим эмиттером).
- К составным относится также и IGBT-транзистор, представляющий собой биполярный, который управляется при помощи полярного триода с изолированным затвором. Такой тип полупроводниковых приборов применяется в основном там, где нужно управлять большим током (сварочные аппараты, городские электросети) или электромеханическими приводами (электротранспорт).
- В качестве управления может применяться не ток, а другое электромагнитное воздействие. К примеру, в фототранзисторах в качестве базы используется чувствительный фотоэлемент, а в магнитотранзисторах – материал, индуцирующий ток при воздействии на него магнитного поля.
Технологический предел для транзисторов еще не достигнут. Их размеры уменьшаются с каждым голом, а различные научно-исследовательские институты ведут поиск новых материалов для использования в качестве полупроводника. Можно сказать, что эти полупроводниковые приборы еще не сказали миру своего последнего слова.
Работа
За исключением области высоких мощностей, стало редко иметь только один транзистор в коробке (для высоких мощностей мы выберем узел Дарлингтона, позволяющий получить больший коэффициент усиления по току).
Интегральная схема позволила соединять первые тысячи, потом миллионы. Интеграция более миллиарда транзисторов в одном компоненте была достигнута за счетиюнь 2008 г.от Nvidia с GT200. Чип, используемый в качестве графического процессора (ГП), содержит 1,4 миллиарда электрических компонентов с гравировкой 65 нанометров на поверхности примерно 600 мм 2 .
Эти интегральные схемы используются для изготовления микропроцессоров, запоминающих устройств и большинства активных компонентов .
|
Потребительские процессоры
График домена :
Серверы :
|
Принцип действия
Анализатор транзисторов.
МОП и биполярные транзисторы работают по-разному:
- Биполярный транзистор
- В усилителе тока в пространство база / эмиттер вводится ток, чтобы создать ток, умноженный на коэффициент усиления транзистора между эмиттером и коллектором. Эти биполярные транзисторы NPN (отрицательный-положительный-отрицательный), которые оставляют циркулирующий ток базы (+) к передатчику (-), быстрее и имеют более высокого выдерживаемое напряжение, чем основание PNP транзисторы (-) передатчик (+), но могут быть производимые производителями с дополнительными характеристиками для приложений, требующих этого.
- Полевой транзистор
- Его управляющий орган — ворота . Для этого требуется только напряжение (или потенциал) между затвором и истоком, чтобы управлять током между истоком и стоком. В статическом режиме ток затвора равен нулю (или незначителен), поскольку затвор ведет себя по отношению к цепи управления как конденсатор малой емкости. Есть несколько типов полевого транзистора: истощение, обогащение (на сегодняшний день самая многочисленная) и ответвительные (JFET) транзисторов . В каждом семействе можно использовать канал либо N-типа, либо P-типа, что, таким образом, составляет в общей сложности шесть различных типов. — Для истощающих транзисторов, а также для полевых транзисторов, канал сток-исток является проводящим, если потенциал затвора равен нулю. Чтобы заблокировать его, этот потенциал нужно сделать отрицательным (для каналов N) или положительным (для каналов P). — И наоборот, обогащающие транзисторы блокируются, когда затвор имеет нулевой потенциал. Если на затвор транзистора N смещается положительное напряжение, а на затвор транзистора P — отрицательное напряжение, пространство исток-сток транзистора становится проводящим.
Каждый из этих транзисторов характеризуется пороговым напряжением, соответствующим напряжению на затворе, которое обеспечивает переход между заблокированным поведением транзистора и его проводящим поведением. В отличие от биполярных транзисторов, пороговое напряжение которых зависит только от используемого полупроводника (кремний, германий или As-Ga), пороговое напряжение полевых транзисторов сильно зависит от технологии и может значительно меняться даже во времени внутри одной партии. N-канальный обедненный полевой транзистор — это полупроводник, характеристики которого больше всего напоминают старые электронные лампы (триоды). При одинаковой мощности N транзисторов меньше P. При одинаковой геометрии N транзисторов также быстрее, чем P. Действительно, большинство носителей в N-канале — электроны, которые движутся лучше, чем дырки, преимущественно в P-канале. Таким образом, канал N больше, чем канал P того же размера.
В большинстве цифровых интегральных схем (в частности, микропроцессоров ) используется технология CMOS, которая позволяет интегрировать в большом масштабе (несколько миллионов) дополнительные полевые (обогащающие) транзисторы (то есть можно найти N и P). Для той же функции интеграция биполярных транзисторов потребовала бы гораздо больше тока. Действительно, схема CMOS потребляет ток только во время переключений. Потребление CMOS-затвора — это только электрический заряд, необходимый для зарядки его выходной емкости . Поэтому их рассеяние почти равно нулю при умеренной тактовой частоте; это позволяет разрабатывать схемы элементов или батарей (телефоны или ноутбуки, камеры и т. д.).
- Другие транзисторы
-
- IGBT ( биполярный транзистор с изолированным затвором ): гибрид, который имеет характеристики полевого транзистора на входе и характеристики биполярного транзистора на выходе. Используется только в силовой электронике .
- Однопереходный транзистор: этот транзистор используется из-за его характеристик отрицательного динамического сопротивления, что позволяет просто реализовать генератор. В настоящее время больше не используется.
- Фототранзистор: это биполярный транзистор, переход база-коллектор которого чувствителен к свету. По сравнению с фотодиодом, он более чувствителен, поскольку имеет эффект усиления, свойственный транзистору.
- Оптоизолятор : фототранзистор устанавливаются в том же блоке, в светоизлучающем диоде . Это свет передает сигналы между фототранзистором и светодиодом. Очень высокая изоляционная мощность (около 5 кВ ) делает его идеальным компонентом для гальванической развязки цепи управления от силовой цепи. Также существуют оптоизоляторы, использующие другие выходные компоненты, такие как тиристор, симистор .
Полевой транзистор

Назначение то же, что и биполярного, но разное строение. Транзисторы координируют более высокие мощности при аналогичных размерах.
В структуре есть элементы:
- сток для приемки большого напряжения;
- затвор для управляемого напряжения;
- исток для раздачи напряжения при открытом положении.
Как работает

В устройстве полевого типа ток проходит к стоку сквозь канал в легированном проводнике под затвором. Он расположен между нелегированной прослойкой (в ней отсутствуют зарядные носители) и затвором. Здесь присутствует участок обеднения, где ток не проводится.
Размер канала по ширине ограничен областью между участком обеднения и прослойкой. Силой тока управляют с помощью изменения вольтажа, приложенного к затвору. В этом случае меняется канальное сечение, и ток на выходе меняет величину.
Схемы включения

Полевые транзисторы подключают одним из трех способов:
- с общим стоком;
- с совместным истоком;
- с общей базой.
Схема с общим стоком аналогична подключению биполярного модуля с совместным коллектором. Используют тип подсоединения в согласующихся каскадах, где нужно входное напряжение большое, а на выходе — низкое. Включение поддерживает широкий диапазон частот.
Схема с общим истоком дает большое увеличение мощности и электротока, при этом фаза напряжения контура стока переворачивается. Сопротивление на входе может быть несколько сотен мегаОм, чтобы его снизить, добавляют между истоком и затвором резистор.
В схеме с общим затвором нет усиления электротока, повышение мощности небольшое. Напряжение находится в аналогичной фазе с управляющим. При изменении входного импульса напряжение на истоке повышается или понижается.
Что внутри транзистора
Если бы мы могли разрезать один транзистор в микропроцессоре, мы бы увидели что-то вроде этого:

Слева — проводник, по которому бежит ток, справа — просто проводник, пока без тока. Между ними находится проводящий канал — те самые «ворота». Когда ворота открыты, ток из левого проводника поступает в правый. Когда закрыты — правый остаётся без тока. Чтобы ворота открылись, на них нужно подать ток откуда-то ещё. Если тока нет, то ворота закрыты.
Теперь, если грамотно посоединять тысячу транзисторов, мы получим простейшую вычислительную машину. А если посоединять миллиард транзисторов, получим ваш процессор.
Электронно-дырочный переход
Основа работы прибора заключается в способности n-p перехода пропускать ток в одну сторону. При подаче напряжения на одном переходе возникает его прямое падение, а на другом обратное. Зона перехода с прямым напряжением обладает малым сопротивлением, а с обратным — большим. Между базой и эмиттером протекает небольшой ток управления. От значения этого тока изменяется сопротивление между коллектором и эмиттером. Биполярный прибор бывает двух типов:
- p-n-p;
- n-p-n.
Отличие заключается лишь в основных носителях заряда, т. е. направлении тока.
Если соединить два полупроводника разного типа между собой, то на границе соединения возникает область или, как принято называть, p-n переход. Тип проводимости зависит от атомного строения материала, а именно насколько прочны связи в материале. Атомы в полупроводнике располагаются в виде решётки, и сам по себе такой материал не является проводником. Но если в решётку добавить атомы другого материала, то физические свойства полупроводника изменяются. Примешанные атомы образовывают, в зависимости от своей природы, свободные электроны или дырки.
Образованные свободные электроны формируют отрицательный заряд, а дырки — положительный. В области перехода существует потенциальный барьер. Он образуется контактной разностью потенциалов, и его высота не превышает десятые доли вольта, препятствуя протеканию носителей заряда вглубь материала. Если переход находится под прямым напряжением, то величина потенциального барьера уменьшается, а величина проходящего через него тока увеличивается. При прикладывании обратного напряжения, величина барьера увеличивается и сопротивление барьера прохождению тока возрастает. Понимая работу p-n перехода, можно разобраться, как устроен транзистор.
По материалу и конструкции корпуса

Металлический и пластмассовый корпус
Прочие типы
- Одноэлектронные транзисторы содержат квантовую точку (т. н. «остров») между двумя туннельными переходами. Ток туннелирования управляется напряжением на затворе, связанном с ним ёмкостной связью.
- Биотранзистор.
Выделение по некоторым характеристикам
Транзисторы BISS (Breakthrough in Small Signal, дословно — «прорыв в малом сигнале») — биполярные транзисторы с улучшенными малосигнальными параметрами. Существенное улучшение параметров транзисторов BISS достигнуто за счёт изменения конструкции зоны эмиттера. Первые разработки этого класса устройств также носили наименование «микротоковые приборы».

RET транзисторы
Транзисторы со встроенными резисторами RET (Resistor-equipped transistors) — биполярные транзисторы со встроенными в один корпус с кристаллом резисторами. RET — это транзистор общего назначения со встроенным одним или двумя резисторами. Такая конструкция транзистора позволяет сократить количество внешних навесных компонентов и минимизирует необходимую площадь монтажа. RET транзисторы применяются для непосредственного подключения к выходам микросхем без использования токоограничивающих резисторов.
Применение гетеропереходов позволяет создавать высокоскоростные и высокочастотные полевые транзисторы, такие как, например, HEMT.
Схемы включения транзистора
Для включения в схему транзистор должен иметь четыре вывода — два входных и два выходных. Но транзисторы почти всех разновидностей имеют только три вывода. Для включения трёхвыводного прибора необходимо один из выводов назначить общим, и, поскольку таких комбинаций может быть только три, то существуют три основные схемы включения транзистора.
Схемы включения биполярного транзистора

- с общим эмиттером (ОЭ) — осуществляет усиление как по току, так и по напряжению — наиболее часто применяемая схема;
- с общим коллектором (ОК) — осуществляет усиление только по току — применяется для согласования высокоимпедансных источников сигнала с низкоомными сопротивлениями нагрузок;
- с общей базой (ОБ) — усиление только по напряжению, в силу своих недостатков в однотранзисторных каскадах усиления применяется редко (в основном в усилителях СВЧ), обычно в составных схемах (например, каскодных).
Схемы включения полевого транзистора
Полевые транзисторы как с p-n переходом (канальные), так и МОП (МДП) имеют следующие схемы включения:
- с общим истоком (ОИ) — аналог ОЭ биполярного транзистора;
- с общим стоком (ОС) — аналог ОК биполярного транзистора;
- с общим затвором (ОЗ) — аналог ОБ биполярного транзистора.
Схемы с открытым коллектором (стоком)
«Открытым коллектором (стоком)» называют включение транзистора по схеме с общим эмиттером (истоком) в составе электронного модуля или микросхемы, когда коллекторный (стоковый) вывод не соединяется с другими элементами модуля (микросхемы), а непосредственно выводится наружу, на разъём модуля или вывод микросхемы.

Выбор нагрузки транзистора и тока коллектора (стока) при этом оставляется за разработчиком конечной схемы, в составе которой применяются модуль или микросхема. В частности, нагрузка такого транзистора может быть подключена к источнику питания с более высоким или низким напряжением, чем напряжение питания модуля/микросхемы.
Такой подход значительно расширяет рамки применимости модуля или микросхемы за счёт небольшого усложнения конечной схемы. Транзисторы с открытым коллектором (стоком) применяются в логических элементах ТТЛ, микросхемах с мощными ключевыми выходными каскадами, преобразователях уровней, шинных формирователях (драйверах) и т. п.
Реже применяется обратное включение — с открытым эмиттером (истоком). Оно также позволяет выбирать нагрузку транзистора изменением внешних компонентов, подавать на эмиттер/сток напряжение полярности, противоположной напряжению питания основной схемы (например, отрицательное напряжение для схем с биполярными транзисторами n-p-n или N-канальными полевыми) и т. п.
Принцип работы биполярного транзистора.
Итак, транзистор содержит два p-n перехода (эмиттер-база и база-коллектор). Если не прикладывать к выводам транзистора никаких внешних напряжений, то на каждом из p-n переходов формируются области, обедненные свободными носителями заряда. Все в точности так же как здесь

В активном же режиме переход эмиттер-база (эмиттерный переход) имеет прямое смещение, а коллекторный переход – обратное.

Так как переход эмиттер-база смещен в прямом направлении, то внешнее электрическое поле будет перемещать электроны из области эмиттера в область базы. Там они частично будут вступать во взаимодействие с дырками и рекомбинировать.
Но большая часть электронов доберется до перехода база-коллектор (это связано с тем, что область базы конструктивно выполняется очень тонкой и содержит небольшой количество примесей), который смещен уже в обратном направлении. И в этом случае внешнее электрическое поле снова будет содействовать электронам, а именно помогать им проскочить в область коллектора.
В результате получается, что ток коллектора приблизительно равен току эмиттера:
Коэффициент alpha численно равен 0.9…0.99. В то же время:
А что произойдет, если мы увеличим ток базы? Это приведет к тому, что переход эмиттер-база откроется еще сильнее, и большее количество электронов смогут попасть в область коллектора (все по тому же маршруту, который мы обсудили ). Давайте выразим ток эмиттера из первой формулы, подставим во вторую и получим:
Выражаем ток коллектора через ток базы:
Коэффициент beta обычно составляет 100-500. Таким образом, незначительный ток базы управляет гораздо большим током коллектора. В этом и заключается принцип работы биполярного транзистора!
Коэффициент, связывающий величину тока коллектора с величиной тока базы называют коэффициентом увеличения по току и обозначают h_ . Этот коэффициент является одной из основных характеристик биполярного транзистора. В следующих статьях мы будем рассматривать схемы включения транзисторов и подробнее разберем этот параметр и его зависимость от условий эксплуатации.
- коллектор
- эмиттер
- база
Этимология
Термин транзистор происходит от английского транса фер Реза istor (переходного сопротивления). Он был выбран руководящим комитетом из 26 человек Bell Labs на28 мая 1948 г., от следующих предложенных названий: полупроводниковый триод, триод поверхностных состояний, кристаллический триод, твердотельный триод, иотатрон, транзистор . По коммерческим причинам было необходимо короткое название, однозначное для технологии электронных ламп, и слово « транзистор» было сохранено.
Под метонимией термин транзистор часто обозначает радиоприемники, оснащенные транзисторами (первоначально называемые транзисторной станцией ).
Комбинированные транзисторы

Гибрид полевого и биполярного устройства обладает положительными чертами двух приборов. Суть с том, что биполярный транзистор большой мощности управляется полевым. Большую нагрузку можно изменять, используя малую мощность, т. к. регулирующий импульс подается на затвор устройства полевого типа.
Внутреннее строение комбинированных транзисторов — каскадное подсоединение двух входных ключей для регулировки конечного плюса. При подаче положительного вольтажа с истока на затвор начинает работать полевой тип, возникает канал передачи между истоком и стоком.
Перемещение зарядных носителей между участками p-n переходов включает биполярное устройство, поэтому происходит перемещение электротока к коллектору от эмиттера.
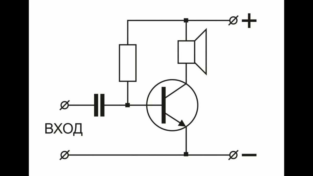
Принципиальная Схема Транзистора
Поэтому без навыка проверки транзисторов, вам в электронику лучше не соваться.
Думаю после экспериментов с мультиметром будет более понятно.

Такая схема может использоваться в качестве запоминающего устройства в компьютерах, так как схема будет хранить информацию до тех пор, пока её не отменят.
Схемы соединения каскадов

Это может быть как обычный широкополосный трансформатор, так и фильтр с различными входным и выходным сопротивлением. Иначе не будет работать схема.
Другие элементы схемы выполняют вспомогательную роль. Электропроводность эмиттера и коллектора всегда одинаковая р или n , базы — противоположная n или р.
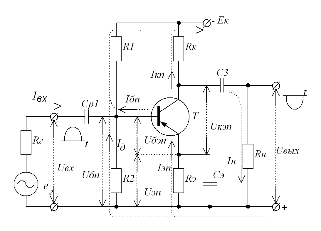
Для питания транзистора в схеме с общей базой может подойти любая из рассмотренных нами схем: схема с фиксированным током базы , схема с фиксированным напряжением на базе , схема с коллекторной стабилизацией или схема с эмиттерной стабилизацией.

По ней можно узнать все параметры элемента. Он же справочный лист или техническая документация.
Схема двухкаскадного усилителя ЗЧ на транзисторах одинаковой структуры.
Как работает транзистор
Характеристики транзистора, включённого по схеме оэ:
Все дело в том, что здесь есть небольшой нюанс. Транзистор является первым твёрдотельным устройством, способным усиливать, генерировать и преобразовывать электрический сигнал. Работа транзистора при обратном включении p-n перехода Проведем очередной практический опыт и подключим базу транзистора к плюсу БП. Убедились, что по напряжению эта схема нам сигнал не увеличит.
УГО фототранзистора в этом случае вместе с УГО излучателя обычно светодиода заключают в объединяющий их символ корпуса, а знак фотоэффекта — две наклонные стрелки заменяют стрелками, перпендикулярными символу базы.
С развитием электроники приступили к обработке кристаллов кремния, и изобрели кремниевые приборы, практически полностью отправившие на пенсию германиевые транзисторы.
Поэтому плотность компоновки элементов в МОП- интегральных схемах значительно выше. То есть ток эмиттера больше тока коллектора на небольшую величину тока базы.
Тогда название содержит дополнительные символы в конце, или, реже, в начале маркировки. И если последовательно со стабилитроном рис.
Схеме включения транзистора с общей базой соответствует схема усилительного каскада с общим затвором.

Внешний вид и обозначение транзистора на схемах
Если канал имеет электронную проводимость, то транзистор называют n-канальным.
Проводимость p-n перехода существенно возрастет и через коллекторный переход начнет идти ток коллектора Iк. Так уж случилось, но вначале развития полупроводниковой технологии лидирующее место занял биполярный транзистор. Схема включения биполярного транзистора с общим эмиттером.
А рост приводит к росту напряжения на резисторе обратной связи.
Лампочка не светится, давайте разберемся почему. Добавим к нашей схеме всего одну перемычку, которой соединим эмиттер и базу, но лампочка все равно не горит. На символ однопереходного транзистора похоже УГО большой группы транзисторов с p-n-переходом, получивших название полевых.
Тот вывод, который со стрелкой — это всегда эмиттер. Полевой транзистор FR на печатной плате прибора.

А если взять и прикрыть одну любую часть транзисто, то у нас получится полупроводник с одним p-n переходом или диод. Ответ может быть да а может и нет. Нелинейность возникает из-за влияния входного напряжения на напряжение перехода эмиттер-база.
Если канал имеет электронную проводимость, то транзистор называют n-канальным. При отсутствии этого конденсатора в цепи источника входного сигнала создавался бы постоянный ток от источника питания Ек.
Ничего не напоминает? Об электропроводности последней судят по символу эмиттера направлению стрелки. Лампочка горит лишь полсекунды, гаснет, потом снова загорается, и так продолжается до тех пор, пока подключена батарея. Стандарт допускает изображать транзисторы и без символа корпуса, например, при изображении бескорпусных транзисторов или когда на схеме необходимо показать транзисторы, входящие в состав сборки транзисторов или интегральной схемы. Установим вместо перемычки сопротивление Rб номиналом — Ом, и еще один источник питания на 1,5 вольта.
Как найти неисправный транзистор в схеме? Поиск битого транзистора на плате. Ремонт платы.
https://youtube.com/watch?v=FS7ZIbnOU8I








![Транзисторы: принцип работы, схема включения, чем отличаются биполярные и полевые [амперка / вики]](http://ceramicpro-ufa.ru/wp-content/uploads/3/8/b/38ba5835843b5b0f8499f3cc83afd63a.jpeg)




















